推出新型可膨胀泡沫 3D 打印材料

3D 打印机制造商推出了 FreeFoam,这是一种新的 3D 可打印光敏聚合物树脂系列,其中包含热活化发泡剂。


FreeFoam 是多年来在打印领域上市的最令人兴奋和具有商业意义的光聚合物解决方案之一。“传统制造的泡沫市场面临许多挑战——从限制设计的昂贵模具到吸水且运输和驱动成本高昂的致密和重泡沫,再到在特定泡沫设计中无法轻松调整强度和肖氏硬度值。

推出新型可膨胀泡沫 3D 打印材料

扩展前(左)和扩展后(右)的 3D 打印 FreeFoam 汽车座椅。照片来自桌面金属。


使用 FreeFoam 3D 打印定制泡沫部件


每年为床上用品、座椅和各种家具产品生产 100 毫升泡沫。传统的泡沫生产涉及根据需要将泡沫块切割成更小的形状,这对可以生产的几何形状造成了巨大的限制,同时还导致大量的修边浪费。


树脂可以像任何其他材料一样通过 DLP 工艺进行 3D 打印,并在烤箱中加热到 160 – 170°C 时按需膨胀。


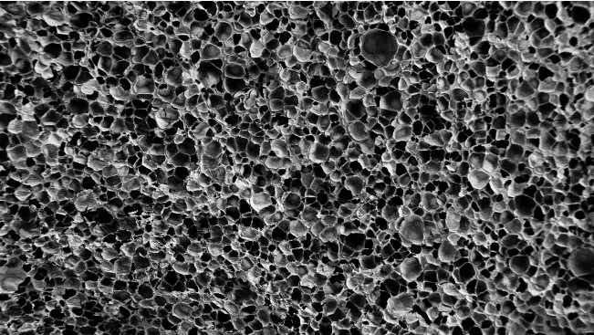
FreeFoam 的关键是其中所含的分散发泡剂,它们在整个材料的微观结构中形成闭孔。根据树脂的确切等级,这些孔可以扩大到其印刷尺寸的七倍。Desktop Metal 打算提供具有不同肖氏硬度值和其他性能(例如防水性)的多个等级的产品。


最终,客户将能够 3D 打印比用于打印它们的打印机的构建体积大得多的部件,从而减少运输空间需求并节省物流成本。

推出新型可膨胀泡沫 3D 打印材料

FreeFoam 的闭孔微结构。图片来自桌面金属。


官网 www.hy3ds.com www.huajiang3d.com

商务联系:0510-87822066


发表评论
留言与评论(共有 0 条评论) “”
   
验证码:

相关文章

推荐文章