「专利解密」晟珈智能室内精准定位解决方案

【嘉勤点评】晟珈智能基于ZigBee的RTLS实时定位专利,通过协调器、路由、网关等设备的协作,以此提高实时定位的准确度。

集微网消息,近两年蓝牙设备出货量激增,而其中最火的功能则为定位服务,预计到2026年将有约3.5亿台设备走向市场。

定位导航一般都是北斗、GPS等卫星定位系统。但卫星定位只能用在室外环境,在室内中由于导航信号衰减太快,卫星定位无法使用。随着时代飞速变迁,科学技术迅猛发展,信息服务质量效率提高,受干扰度小,在人们的生活工作及科学研究中起到了非常重要的作用。室内定位技术非常实用,具有较大的拓展空间,其应用范围广泛,在复杂环境下,如图书馆,体育馆,地下车库,货品仓库等都可以实现对人员以及物品的快速定位。

为了提高室内定位精度,晟珈智能于2021年3月1日申请了一项名为“一种基于ZigBee技术的RTLS实时定位系统”的发明专利(申请号: 202110224267.9),申请人为杭州晟珈智能科技有限公司。

「专利解密」晟珈智能室内精准定位解决方案

图1智能货架系统的运作示意图

本专利提出的智能货架系统如图1所示,其实质为一种基于ZigBee技术的RTLS 实时定位系统。其中在货架7的每一层摆放有若干个货物6,并在每个货物6上装上ZigBee标签1,同时在货架7上还安装有若干个ZigBee路由器2。若干组安装有ZigBee标签1、ZigBee路由器2的货架7、ZigBee协调器3、关4和云端处理器5,共同构成了智能货架系统。其总体过程为:ZigBee标签1发送信号,经ZigBee路由器2汇总至ZigBee协调器3后,由网关4发送至云端处理器5。

此外,该系统还包括用于存储RSSI以及父子配对信息的回程机制,将信息通过网关推送到云端。云端处理使用SaaS(软件)用于对获取数据进行后处理,实现系统的最佳定位精度。而且还可以根据货架内货物不同方位的搁置使得系统获得的RSSI值的差异,进而构建一个准确定位搁置货物的大型数据库,运用机器学习、回归和平均等方法,以获得每个搁置货物的准确位置。

「专利解密」晟珈智能室内精准定位解决方案

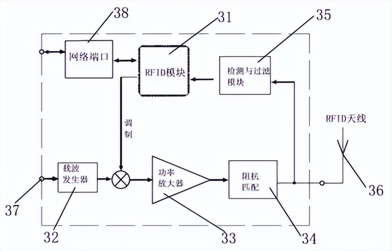
图2 ZigBee协调器3的一种结构示意图

图2为该系统的核定部件ZigBee协调器3。ZigBee协调器3包括RFID模块31、载波发生器32、功率放大器33、阻抗匹配34、检测与过滤组件35。其中,RFID模块31集成了微处理器和RFID芯片,载波发生器32负责生成前向链路调制信号以及接收RFID标签负载调制信号,功率放大器33用于以适当且可能可变的功率水平生成RF功率,阻抗匹配34用以确保最大的整体功率传输,而检测与过滤组件35用于提取负载调制的子载波信号并将其与载波和其他噪声分离。

简而言之,晟珈智能基于ZigBee的RTLS实时定位专利,通过协调器、路由、网关等设备的协作,以此提高实时定位的准确度。

晟珈智能致力于无线传感传输技术、室内定位、导航技术以及远程监测技术开发,相信在未来晟珈智能仍保持持续创新的心态,不断为广大用户提供智慧便捷的创新技术解决方案。

发表评论
留言与评论(共有 0 条评论) “”
   
验证码:

相关文章

推荐文章